UT119 超小型按钮式称重传感器
微压缩力传感器
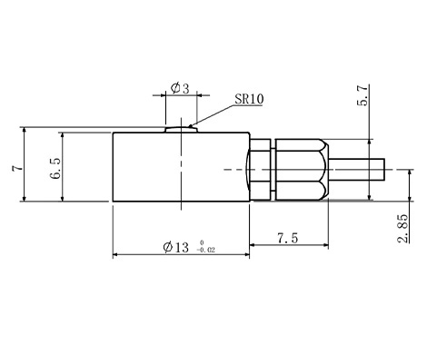
长13mm*高7mm
容量: 100,200,500,1000N
如需定制量程、精度、尺寸及其他参数,请与我们联系。
| 产品特点SL104微型压缩力传感器,采用坚固耐用的17-4 PH不锈钢制成,采用高精度电阻应变片原理,压力加载,安装使用方便。 电缆屏蔽层与传感器外壳电连接,确保在不利的电磁兼容条件下测量时不受干扰。 工作温度范围-20℃~80℃。 |
技术规格
| 规格 | 技术 |
| 容量 | 50,100,200,300,1000N |
| 额定输出 | 1.5±10%mV/V |
| 零点输出 | ±0.05mV/V |
| 潜变 | ≤0.5%F.S. |
| 非线性误差 | ≤0.5%F.S. |
| 滞后现象 | ≤0.5%F.S. |
| 可重复性 | ≤0.5%F.S. |
| 输入阻抗 | 800~1100Ω |
| 输出阻抗 | 800~1100Ω |
| 温度对产量的影响 | 0.05%F.S./10℃ |
| 零点温度漂移 | 0.05%F.S./10℃ |
| 绝缘电阻 | ≥5000MΩ/100V(DC) |
| 使用电压 | 5~12V |
| 最大使用电压 | 15V |
| 温度补偿范围 | -10~60℃ |
| 工作温度范围 | -20~80℃ |
| 安全超载 | 150% F.S. |
| 极限范围 | 200% F.S. |
| 电缆尺寸 | φ3X3000mm |
| 材质 | 不锈钢 |
产品尺寸
安装尺寸

受力方式

接线图

精确测量,匹配显示
测力称重传感器本身的输出是一个MV信号,需要对其进行放大转换,显示数值或输出信号给上位机、PLC等。
上一篇: 没有更多了
下一篇: UT135B
要求报价
